
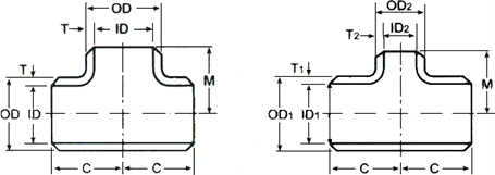
Equal and Reducing Tees
|
Nominal Pipe Size (inches) |
Outside Diameter At Bevel D |
Center to End |
|
Nominal Pipe Size (inches) |
Outside Diameter At Bevel D |
Center to End |
||||
|
Run |
Outlet |
Run C |
Outlet M |
|
Run |
Outlet |
Run C |
Outlet M |
||
|
1/2 x 1/2 |
21.3 |
21.3 |
25.4 |
25.4 |
|
2-1/2 x 1-1/2 |
|
48.3 |
|
66.5 |
|
1/2 x 3/8 |
|
17.1 |
|
25.4 |
|
2-1/2 x 1-1/4 |
|
42.2 |
|
63.5 |
|
1/2 x 1/4 |
|
13.7 |
|
25.4 |
|
2-1/2 x 1 |
|
33.4 |
|
57.2 |
|
3/4 x 3/4 |
26.7 |
26.7 |
28.4 |
28.4 |
|
3 x 3 |
88.9 |
88.9 |
85.9 |
85.9 |
|
3/4 x 1/2 |
|
21.3 |
|
28.4 |
|
3 x 2-1/2 |
|
73.0 |
|
82.6 |
|
3/4 x 3/8 |
|
17.1 |
|
28.4 |
|
3 x 2 |
|
60.3 |
|
76.2 |
|
1 x 1 |
33.4 |
33.4 |
38.1 |
38.1 |
|
3 x 1-1/2 |
|
48.3 |
|
73.2 |
|
1 x 3/4 |
|
26.7 |
|
38.1 |
|
3 x 1-1/4 |
|
42.2 |
|
69.8 |
|
1 x 1/2 |
|
21.3 |
|
38.1 |
|
3-1/2 x 3-1/2 |
101.6 |
101.6 |
95.2 |
95.2 |
|
1-1/4 x 1-1/4 |
42.2 |
42.2 |
47.8 |
47.8 |
|
3-1/2 x 3 |
|
88.9 |
|
91.9 |
|
1-1/4 x 1 |
|
33.4 |
|
47.8 |
|
3-1/2 x 2-1/2 |
|
73.0 |
|
88.9 |
|
1-1/4 x 3/4 |
|
26.7 |
|
47.8 |
|
3-1/2 x 2 |
|
60.3 |
|
82.6 |
|
1-1/4 x 1/2 |
|
21.3 |
|
47.8 |
|
3-1/2 x 1-1/2 |
|
48.3 |
|
79.2 |
|
1-1/2 x 1-1/2 |
48.3 |
48.3 |
57.2 |
57.2 |
|
4 x 4 |
114.3 |
114.3 |
104.6 |
104.6 |
|
1-1/2 x 1-1/4 |
|
42.2 |
|
57.2 |
|
4 x 3-1/2 |
|
101.6 |
|
101.6 |
|
1-1/2 x 1 |
|
33.4 |
|
57.2 |
|
4 x 3 |
|
88.9 |
|
98.6 |
|
1-1/2 x 3/4 |
|
26.7 |
|
57.2 |
|
4 x 2-1/2 |
|
73.0 |
|
95.2 |
|
1-1/2 x 1/2 |
|
21.3 |
|
57.2 |
|
4 x 2 |
|
60.3 |
|
88.9 |
|
2 x 2 |
60.3 |
60.3 |
63.5 |
63.5 |
|
4 x 1-1/2 |
|
48.3 |
|
85.9 |
|
2 x 1-1/2 |
|
48.3 |
|
60.5 |
|
5 x 5 |
141.3 |
141.3 |
124.0 |
124.0 |
|
2 x 1-1/4 |
|
42.2 |
|
57.2 |
|
5 x 4 |
|
114.3 |
|
117.3 |
|
2 x 1 |
|
33.4 |
|
50.8 |
|
5 x 3-1/2 |
|
101.6 |
|
114.3 |
|
2 x 3/4 |
|
26.7 |
|
44.4 |
|
5 x 3 |
|
88.9 |
|
111.3 |
|
2-1/2 x 2-1/2 |
73.0 |
73.0 |
76.2 |
76.2 |
|
5 x 2-1/2 |
|
73.0 |
|
108.0 |
|
2-1/2 x 2 |
|
60.3 |
|
69.8 |
|
5 x 2 |
|
60.3 |
|
104.6 |
Equal and Reducing Tees
|
Nominal Pipe Size (inches) |
Outside Diameter At Bevel D |
Center to End |
|
Nominal Pipe Size (inches) |
Outside Diameter At Bevel D |
Center to End |
||||
|
Run |
Outlet |
Run C |
Outlet M |
|
Run |
Outlet |
Run C |
Outlet M |
||
|
6 x 6 |
168.3 |
168.3 |
142.7 |
142.7 |
|
14 x 6 |
|
168.3 |
|
238.3 |
|
6 x 5 |
|
141.3 |
|
136.7 |
|
16 x 16 |
406.4 |
406.4 |
304.8 |
304.8 |
|
6 x 4 |
|
114.3 |
|
130.0 |
|
16 x 14 |
|
355.6 |
|
304.8 |
|
6 x 3-1/2 |
|
101.6 |
|
127.0 |
|
16 x 12 |
|
323.9 |
|
295.1 |
|
6 x 3 |
|
88.9 |
|
124.0 |
|
16 x 10 |
|
273.1 |
|
282.4 |
|
6 x 2-1/2 |
|
73.0 |
|
120.6 |
|
16 x 8 |
|
219.1 |
|
373.0 |
|
8 x 8 |
219.1 |
219.1 |
177.8 |
177.8 |
|
16 x 6 |
|
168.3 |
|
263.7 |
|
8 x 6 |
|
168.3 |
|
168.1 |
|
18 x 18 |
457.2 |
457.2 |
342.9 |
342.9 |
|
8 x 5 |
|
141.3 |
|
162.1 |
|
18 x 16 |
|
406.4 |
|
330.2 |
|
8 x 4 |
|
114.3 |
|
155.4 |
|
18 x 14 |
|
355.6 |
|
330.2 |
|
8 x 3-1/2 |
|
101.6 |
|
152.4 |
|
18 x 12 |
|
323.9 |
|
320.5 |
|
10 x 10 |
273.1 |
273.1 |
215.9 |
215.9 |
|
18 x 10 |
|
273.1 |
|
307.8 |
|
10 x 8 |
|
219.1 |
|
203.2 |
|
18 x 8 |
|
219.1 |
|
298.4 |
|
10 x 6 |
|
168.3 |
|
193.5 |
|
20 x 20 |
508.0 |
508.0 |
381.0 |
381.0 |
|
10 x 5 |
|
141.3 |
|
190.5 |
|
20 x 18 |
|
457.2 |
|
369.3 |
|
10 x 4 |
|
114.3 |
|
184.2 |
|
20 x 16 |
|
406.4 |
|
355.6 |
|
12 x 12 |
323.9 |
323.9 |
254.0 |
254.0 |
|
20 x 14 |
|
355.6 |
|
355.6 |
|
12 x 10 |
|
273.1 |
|
241.3 |
|
20 x 12 |
|
323.9 |
|
345.9 |
|
12 x 8 |
|
219.1 |
|
228.6 |
|
20 x 10 |
|
273.1 |
|
333.2 |
|
12 x 6 |
|
168.3 |
|
218.9 |
|
20 x 8 |
|
219.1 |
|
323.8 |
|
12 x 5 |
|
141.3 |
|
215.9 |
|
22 x 22 |
558.8 |
558.8 |
419.1 |
419.1 |
|
14 x 14 |
355.6 |
355.6 |
279.4 |
279.4 |
|
22 x 20 |
|
508.0 |
|
406.4 |
|
14 x 12 |
|
323.9 |
|
269.7 |
|
22 x 18 |
|
457.2 |
|
393.7 |
|
14 x 10 |
|
273.1 |
|
257.0 |
|
22 x 16 |
|
406.4 |
|
381.0 |
|
14 x 8 |
|
219.1 |
|
247.6 |
|
22 x 14 |
|
355.6 |
|
381.0 |
Equal and Reducing Tees
|
Nominal Pipe Size (inches) |
Outside Diameter At Bevel D |
Center to End |
||
|
Run |
Outlet |
Run C |
Outlet M |
|
|
22 x 12 |
|
323.9 |
|
371.3 |
|
22 x 10 |
|
273.1 |
|
358.6 |
|
24 x 24 |
609.6 |
609.6 |
431.8 |
431.8 |
|
24 x 22 |
|
558.8 |
|
431.8 |
|
24 x 20 |
|
508.0 |
|
431.8 |
|
24 x 18 |
|
457.2 |
|
419.1 |
|
24 x 16 |
|
406.4 |
|
406.4 |
|
24 x 14 |
|
355.6 |
|
406.4 |
|
24 x 12 |
|
323.9 |
|
396.7 |
|
24 x 10 |
|
273.1 |
|
384.0 |
- Outlet dimension “M” for run sizes 14” and larger is recommended but not mandatory.
- ALL DIMENSIONS ARE IN MILLIMETERS.

Equal and Reducing Crosses
|
Nominal Pipe Size (inches) |
Outside Diameter At Bevel D |
Center to End |
|
Nominal Pipe Size (inches) |
Outside Diameter At Bevel D |
Center to End |
||||
|
Run |
Outlet |
Run C |
Outlet M |
|
Run |
Outlet |
Run C |
Outlet M |
||
|
1/2 x 1/2 |
21.3 |
21.3 |
25.4 |
25.4 |
|
2-1/2 x 1-1/4 |
|
42.2 |
|
63.5 |
|
1/2 x 3/8 |
|
17.1 |
|
25.4 |
|
2-1/2 x 1 |
|
33.4 |
|
57.2 |
|
1/2 x 1/4 |
|
13.7 |
|
25.4 |
|
3 x 3 |
88.9 |
88.9 |
85.9 |
85.9 |
|
3/4 x 3/4 |
26.7 |
26.7 |
28.4 |
28.4 |
|
3 x 2-1/2 |
|
73.0 |
|
82.6 |
|
3/4 x 1/2 |
|
21.3 |
|
28.4 |
|
3 x 2 |
|
60.3 |
|
76.2 |
|
3/4 x 3/8 |
|
17.1 |
|
28.4 |
|
3 x 1-1/2 |
|
48.3 |
|
73.2 |
|
1 x 1 |
33.4 |
33.4 |
38.1 |
38.1 |
|
3 x 1-1/4 |
|
42.2 |
|
69.8 |
|
1 x 3/4 |
|
26.7 |
|
38.1 |
|
3-1/2 x 3-1/2 |
101.6 |
101.6 |
95.2 |
95.2 |
|
1 x 1/2 |
|
21.3 |
|
38.1 |
|
3-1/2 x 3 |
|
88.9 |
|
91.9 |
|
1-1/4 x 1-1/4 |
42.2 |
42.2 |
47.8 |
47.8 |
|
3-1/2 x 2-1/2 |
|
73.0 |
|
88.9 |
|
1-1/4 x 1 |
|
33.4 |
|
47.8 |
|
3-1/2 x 2 |
|
60.3 |
|
82.6 |
|
1-1/4 x 3/4 |
|
26.7 |
|
47.8 |
|
3-1/2 x 1-1/2 |
|
48.3 |
|
79.2 |
|
1-1/4 x 1/2 |
|
21.3 |
|
47.8 |
|
4 x 4 |
114.3 |
114.3 |
104.6 |
104.6 |
|
1-1/2 x 1-1/2 |
48.3 |
48.3 |
57.2 |
57.2 |
|
4 x 3-1/2 |
|
101.6 |
|
101.6 |
|
1-1/2 x 1-1/4 |
|
42.2 |
|
57.2 |
|
4 x 3 |
|
88.9 |
|
98.6 |
|
1-1/2 x 1 |
|
33.4 |
|
57.2 |
|
4 x 2-1/2 |
|
73.0 |
|
95.2 |
|
1-1/2 x 3/4 |
|
26.7 |
|
57.2 |
|
4 x 2 |
|
60.3 |
|
88.9 |
|
1-1/2 x 1/2 |
|
21.3 |
|
57.2 |
|
4 x 1-1/2 |
|
48.3 |
|
85.9 |
|
2 x 2 |
60.3 |
60.3 |
63.5 |
63.5 |
|
5 x 5 |
141.3 |
141.3 |
124.0 |
124.0 |
|
2 x 1-1/2 |
|
48.3 |
|
60.5 |
|
5 x 4 |
|
114.3 |
|
117.3 |
|
2 x 1-1/4 |
|
42.2 |
|
57.2 |
|
5 x 3-1/2 |
|
101.6 |
|
114.3 |
|
2 x 1 |
|
33.4 |
|
50.8 |
|
5 x 3 |
|
88.9 |
|
111.3 |
|
2 x 3/4 |
|
26.7 |
|
44.4 |
|
5 x 2-1/2 |
|
73.0 |
|
108.0 |
|
2-1/2 x 2-1/2 |
73.0 |
73.0 |
76.2 |
76.2 |
|
5 x 2 |
|
60.3 |
|
104.6 |
|
2-1/2 x 2 |
|
60.3 |
|
69.8 |
|
6 x 6 |
168.3 |
168.3 |
142.7 |
142.7 |
|
2-1/2 x 1-1/2 |
|
48.3 |
|
66.5 |
|
6 x 5 |
|
141.3 |
|
136.7 |

Equal and Reducing Crosses
|
Nominal Pipe Size (inches) |
Outside Diameter At Bevel D |
Center to End |
|
||
|
Run |
Outlet |
Run C |
Outlet M |
|
|
|
6 x 4 |
|
114.3 |
|
130.0 |
|
|
6 x 3-1/2 |
|
101.6 |
|
127.0 |
|
|
6 x 3 |
|
88.9 |
|
124.0 |
|
|
6 x 2-1/2 |
|
73.0 |
|
120.6 |
|
|
8 x 8 |
219.1 |
219.1 |
177.8 |
177.8 |
|
|
8 x 6 |
|
168.3 |
|
168.1 |
|
|
8 x 5 |
|
141.3 |
|
162.1 |
|
|
8 x 4 |
|
114.3 |
|
155.4 |
|
|
8 x 3-1/2 |
|
101.6 |
|
152.4 |
|
|
10 x 10 |
273.1 |
273.1 |
215.9 |
215.9 |
|
|
10 x 8 |
|
219.1 |
|
203.2 |
|
|
10 x 6 |
|
168.3 |
|
193.5 |
|
|
10 x 5 |
|
141.3 |
|
190.5 |
|
|
10 x 4 |
|
114.3 |
|
184.2 |
|
|
12 x 12 |
323.9 |
323.9 |
254.0 |
254.0 |
|
|
12 x 10 |
|
273.1 |
|
241.3 |
|
|
12 x 8 |
|
219.1 |
|
228.6 |
|
|
12 x 6 |
|
168.3 |
|
218.9 |
|
|
12 x 5 |
|
141.3 |
|
215.9 |
|
1) ALL DIMENSIONS ARE IN MILLIMETERS.
