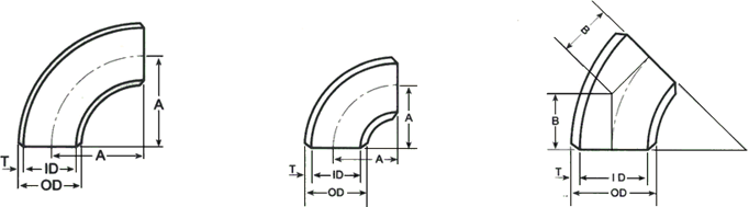
LONG AND SHORT RADIUS 45°/ 90° ELBOWS

|
Nominal Pipe size |
Outside diameter at bevel |
Long radius elbow |
Short radius elbow |
||
|
90 degree |
45 degree |
90 degree |
45 degree |
||
|
NPS |
D |
A |
B |
A |
B |
|
1/2 |
21.3 |
38.1 |
15.7 |
- |
- |
|
3/4 |
26.7 |
38.1 |
19.1 |
- |
- |
|
1 |
33.4 |
38.1 |
22.4 |
25.4 |
- |
|
1-1/4 |
42.2 |
47.8 |
25.4 |
31.8 |
- |
|
1-1/2 |
48.3 |
57.2 |
28.4 |
38.1 |
- |
|
2 |
60.3 |
76.2 |
35.1 |
50.8 |
- |
|
2-1/2 |
73.0 |
95.2 |
44.4 |
63.5 |
- |
|
3 |
88.9 |
114.3 |
50.8 |
76.2 |
31.6 |
|
3-1/2 |
101.6 |
133.4 |
57.2 |
88.9 |
36.8 |
|
4 |
114.3 |
152.4 |
63.5 |
101.6 |
42.1 |
|
5 |
141.3 |
190.5 |
79.2 |
127.0 |
52.6 |
|
6 |
168.3 |
228.6 |
95.2 |
152.4 |
63.4 |
|
8 |
219.1 |
304.8 |
127.0 |
203.2 |
84.2 |
|
10 |
273.1 |
381.0 |
158.8 |
254.0 |
105.2 |
|
12 |
323.9 |
457.2 |
190.5 |
304.8 |
126.3 |
|
14 |
355.6 |
533.4 |
222.2 |
355.6 |
147.3 |
|
16 |
406.4 |
609.6 |
254.0 |
406.4 |
168.3 |
|
18 |
457.2 |
685.8 |
285.8 |
457.2 |
189.4 |
|
20 |
508.0 |
762.0 |
317.5 |
508.0 |
210.4 |
|
22 |
558.8 |
838.2 |
342.9 |
558.8 |
231.5 |
|
24 |
609.6 |
914.4 |
381.0 |
609.6 |
252.5 |
1) ALL DIMENSIONS ARE IN MILLIMETERS.
LONG AND SHORT RADIUS 180° ELBOWS

|
Nominal Pipe size |
Outside diameter at bevel |
Long radius elbow |
Short radius elbow |
||
|
Centre to centre |
Back to face |
Centre to centre |
Back to face |
||
|
NPS |
D |
P |
K |
P |
BK |
|
1/2 |
21.3 |
76.2 |
47.8 |
- |
- |
|
3/4 |
26.7 |
76.2 |
50.8 |
- |
- |
|
1 |
33.4 |
76.2 |
55.6 |
50.8 |
41.1 |
|
1-1/4 |
42.2 |
95.2 |
69.8 |
63.5 |
52.3 |
|
1-1/2 |
48.3 |
114.3 |
82.6 |
76.2 |
62.0 |
|
2 |
60.3 |
152.4 |
106.4 |
101.6 |
81.0 |
|
2-1/2 |
73.0 |
109.5 |
131.8 |
127.0 |
100.1 |
|
3 |
88.9 |
228.6 |
158.8 |
152.4 |
120.7 |
|
3-1/2 |
101.6 |
266.7 |
184.2 |
177.8 |
139.7 |
|
4 |
114.3 |
304.8 |
209.6 |
203.2 |
158.8 |
|
5 |
141.3 |
381.0 |
261.9 |
254.0 |
196.9 |
|
6 |
168.3 |
457.2 |
312.7 |
304.8 |
236.5 |
|
8 |
219.1 |
609.6 |
414.3 |
406.4 |
312.7 |
|
10 |
273.1 |
762.0 |
517.7 |
508.0 |
390.7 |
|
12 |
323.9 |
914.4 |
619.3 |
609.6 |
466.9 |
|
14 |
355.6 |
1066.8 |
711.2 |
711.2 |
533.4 |
|
16 |
406.4 |
1219.2 |
812.8 |
812.8 |
609.6 |
|
18 |
457.2 |
1371.6 |
914.4 |
914.4 |
685.8 |
|
20 |
508.0 |
1524.0 |
1016.0 |
1016.0 |
762.0 |
|
22 |
558.8 |
1676.4 |
1117.6 |
1117.6 |
838.2 |
|
24 |
609.6 |
1828.8 |
1219.2 |
1219.2 |
914.4 |
1) ALL DIMENSIONS ARE IN MILLIMETERS.
