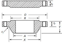
B 16.47 SERIES B CLASS 75 FLANGES Unit: mm
|
Nominal Pipe Size |
Outside Diam. |
O.D.of Raised Face |
Diam. at Base of Hub |
Thickness |
BORE |
Length Thru Hub |
Diam of Hub at Bevel |
Radius at Base of Hub |
DRILLING |
||
|
Bolt Circle Diam. |
Number of Holes |
Diam. Of Holes |
|||||||||
|
O |
R |
X |
t |
|
Y |
A |
r |
|
|||
|
26 |
762 |
704.9 |
676.1 |
33.3 |
TO BE SPECIFIED BY PURCHASER. |
58.7 |
661.9 |
7.9 |
723.9 |
36 |
19.1 |
|
28 |
813 |
755.7 |
726.9 |
33.3 |
62.0 |
712.7 |
7.9 |
774.7 |
40 |
19.1 |
|
|
30 |
864 |
806.5 |
777.7 |
33.3 |
65.0 |
763.5 |
7.9 |
825.5 |
44 |
19.1 |
|
|
32 |
914 |
857.3 |
828.5 |
35.1 |
69.9 |
814.3 |
7.9 |
876.3 |
48 |
19.1 |
|
|
34 |
965 |
908.1 |
879.3 |
35.1 |
73.2 |
865.1 |
7.9 |
927.1 |
52 |
19.1 |
|
|
36 |
1034 |
965.2 |
935.0 |
36.6 |
85.9 |
915.9 |
9.7 |
992.1 |
40 |
22.4 |
|
|
38 |
1084 |
1016.0 |
985.8 |
38.1 |
88.9 |
966.7 |
9.7 |
1042.9 |
40 |
22.4 |
|
|
40 |
1135 |
1066.8 |
1036.6 |
38.1 |
91.9 |
1017.5 |
9.7 |
1093.7 |
44 |
22.4 |
|
|
42 |
1186 |
1117.6 |
1087.4 |
39.6 |
95.3 |
1068.3 |
9.7 |
1144.5 |
48 |
22.4 |
|
|
44 |
1251 |
1174.8 |
1140.0 |
42.9 |
104.6 |
1119.1 |
9.7 |
1203.5 |
36 |
25.4 |
|
|
46 |
1302 |
1225.6 |
1190.8 |
44.5 |
108.0 |
1169.9 |
9.7 |
1254.3 |
40 |
25.4 |
|
|
48 |
1353 |
1276.4 |
1241.6 |
46.0 |
111.3 |
1220.7 |
9.7 |
1305.1 |
44 |
25.4 |
|
|
50 |
1403 |
1327.2 |
1293.9 |
47.8 |
115.8 |
1271.5 |
9.7 |
1355.9 |
44 |
25.4 |
|
|
52 |
1457 |
1378.0 |
1344.7 |
47.8 |
120.7 |
1322.3 |
9.7 |
1409.7 |
48 |
25.4 |
|
|
54 |
1508 |
1428.8 |
1397.0 |
49.3 |
125.5 |
1373.1 |
9.7 |
1460.5 |
48 |
25.4 |
|
|
56 |
1575 |
1485.9 |
1450.8 |
50.8 |
134.9 |
1423.9 |
11.2 |
1521.0 |
40 |
28.4 |
|
|
58 |
1626 |
1536.7 |
1501.6 |
52.3 |
138.2 |
1474.7 |
11.2 |
1571.8 |
44 |
28.4 |
|
|
60 |
1676 |
1587.5 |
1552.4 |
55.6 |
144.5 |
1525.5 |
11.2 |
1622.6 |
44 |
28.4 |
|
Notes:
- Bore is to be specified by purchaser.
- Class 75 flanges will be furnished with 0.06" (1.6mm) raised face. Which is included in 'Thickness' (t) and 'Length through Hub' (T1).

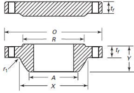
B 16.47 SERIES B CLASS 150 FLANGES Unit: mm
|
Nominal Pipe Size |
Outside Diam. |
O.D.of Raised Face |
Diam. at Base of Hub |
Thickness |
BORE |
Length Thru Hub |
Diam of Hub at Bevel |
Radius at Base of Hub |
DRILLING |
||
|
Bolt Circle Diam. |
Number of Holes |
Diam. Of Holes |
|||||||||
|
O |
R |
X |
t |
TO BE SPECIFIED BY PURCHASER |
Y |
A |
r |
|
|||
|
26 |
786 |
711.2 |
684.3 |
41.1 |
88.9 |
661.9 |
9.7 |
744.5 |
36 |
22.4 |
|
|
28 |
837 |
762.0 |
735.1 |
44.5 |
95.3 |
712.7 |
9.7 |
795.3 |
40 |
22.4 |
|
|
30 |
887 |
812.8 |
787.4 |
44.5 |
100.1 |
763.5 |
9.7 |
846.1 |
44 |
22.4 |
|
|
32 |
941 |
863.6 |
839.7 |
46.0 |
108.0 |
814.3 |
9.7 |
900.2 |
48 |
22.4 |
|
|
34 |
1005 |
920.8 |
892.0 |
49.3 |
110.2 |
865.1 |
9.7 |
957.3 |
40 |
25.4 |
|
|
36 |
1057 |
971.6 |
944.6 |
52.3 |
117.3 |
915.9 |
9.7 |
1009.7 |
44 |
25.4 |
|
|
38 |
1124 |
1022.4 |
997.0 |
53.8 |
124.0 |
968.2 |
9.7 |
1069.8 |
40 |
28.4 |
|
|
40 |
1175 |
1079.5 |
1049.3 |
55.6 |
128.5 |
1019.0 |
9.7 |
1120.6 |
44 |
28.4 |
|
|
42 |
1226 |
1130.3 |
1101.9 |
58.7 |
133.4 |
1069.8 |
11.2 |
1171.4 |
48 |
28.4 |
|
|
44 |
1276 |
1181.1 |
1152.7 |
60.5 |
136.7 |
1120.6 |
11.2 |
1222.2 |
52 |
31.8 |
|
|
46 |
1341 |
1234.9 |
1205.0 |
62.0 |
144.5 |
1171.4 |
11.2 |
1284.2 |
40 |
31.8 |
|
|
48 |
1392 |
1289.1 |
1257.3 |
65.0 |
149.4 |
1222.2 |
11.2 |
1335.0 |
44 |
31.8 |
|
|
50 |
1443 |
1339.9 |
1308.1 |
68.3 |
153.9 |
1273.0 |
11.2 |
1385.8 |
48 |
31.8 |
|
|
52 |
1494 |
1390.7 |
1360.4 |
69.9 |
157.2 |
1323.8 |
11.2 |
1436.6 |
52 |
31.8 |
|
|
54 |
1549 |
1441.5 |
1412.7 |
71.4 |
162.1 |
1374.6 |
11.2 |
1492.3 |
56 |
31.8 |
|
|
56 |
1600 |
1492.3 |
1465.3 |
73.2 |
166.6 |
1425.4 |
14.2 |
1543.1 |
60 |
31.8 |
|
|
58 |
1675 |
1543.1 |
1516.1 |
74.7 |
174.8 |
1476.2 |
14.2 |
1611.4 |
48 |
35.1 |
|
|
60 |
1726 |
1600.2 |
1570.0 |
76.2 |
179.3 |
1527.0 |
14.2 |
1662.2 |
52 |
35.1 |
|
- Bore is to be specified by purchaser.
- Class 150 flanges will be furnished with 0.06" (1.6mm) raised face. Which is included in 'Thickness' (t) and 'Length through Hub' (T1).

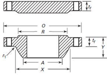
B 16.47 SERIES B CLASS 300 FLANGES Unit: mm
|
Nominal Pipe Size |
Outside Diam. |
O.D.of Raised Face |
Diam. at Base of Hub |
Thickness |
BORE |
Length Thru Hub |
Diam of Hub at Bevel |
Radius at Base of Hub |
DRILLING |
||
|
Bolt Circle Diam. |
Number of Holes |
Diam. Of Holes |
|||||||||
|
O |
R |
X |
t |
TO BE SPECIFIED BY PURCHASER |
Y |
A |
r |
|
|||
|
26 |
867 |
736.6 |
701.5 |
88.9 |
144.5 |
665.2 |
14.2 |
803.1 |
32 |
35.1 |
|
|
28 |
921 |
787.4 |
755.7 |
88.9 |
149.4 |
716.0 |
14.2 |
857.3 |
36 |
35.1 |
|
|
30 |
991 |
844.6 |
812.8 |
93.7 |
158.0 |
768.4 |
14.2 |
920.8 |
36 |
38.1 |
|
|
32 |
1054 |
901.7 |
863.6 |
103.1 |
168.1 |
819.2 |
15.7 |
977.9 |
32 |
41.1 |
|
|
34 |
1108 |
952.5 |
917.4 |
103.1 |
173.0 |
870.0 |
15.7 |
1031.7 |
36 |
41.1 |
|
|
36 |
1171 |
1009.7 |
965.2 |
103.1 |
180.8 |
920.8 |
15.7 |
1089.2 |
32 |
44.5 |
|
|
38 |
1222 |
1060.5 |
1016.0 |
111.3 |
192.0 |
971.6 |
15.7 |
1140.0 |
36 |
44.5 |
|
|
40 |
1273 |
1114.6 |
1066.8 |
115.8 |
198.4 |
1022.4 |
15.7 |
1190.8 |
40 |
44.5 |
|
|
42 |
1334 |
1168.4 |
1117.6 |
119.1 |
204.7 |
1074.7 |
15.7 |
1244.6 |
36 |
47.8 |
|
|
44 |
1384 |
1219.2 |
1173.2 |
127.0 |
214.4 |
1125.5 |
15.7 |
1295.4 |
40 |
47.8 |
|
|
46 |
1461 |
1270.0 |
1128.9 |
128.5 |
222.3 |
1176.3 |
15.7 |
1365.3 |
36 |
50.8 |
|
|
48 |
1511 |
1327.2 |
1277.9 |
128.5 |
223.8 |
1227.1 |
15.7 |
1416.1 |
40 |
50.8 |
|
|
50 |
1562 |
1378.0 |
1330.5 |
138.2 |
235.0 |
1277.9 |
15.7 |
1466.9 |
44 |
50.8 |
|
|
52 |
1613 |
1428.8 |
1382.8 |
142.7 |
242.8 |
1328.7 |
15.7 |
1517.7 |
48 |
50.8 |
|
|
54 |
1673 |
1479.6 |
1435.1 |
136.7 |
239.8 |
1379.5 |
15.7 |
1577.8 |
48 |
50.8 |
|
|
56 |
1765 |
1536.7 |
1493.8 |
153.9 |
268.2 |
1422.4 |
17.5 |
1651.0 |
36 |
60.5 |
|
|
58 |
1827 |
1593.9 |
1547.9 |
153.9 |
274.6 |
1481.1 |
17.5 |
1712.0 |
40 |
60.5 |
|
|
60 |
1878 |
1651.0 |
1598.7 |
150.9 |
271.5 |
1531.9 |
17.5 |
1763.8 |
40 |
60.5 |
|
- Bore (B1) is to be specified by purchaser.
- Class 300 flangesflanges will be furnished with 0.06" (1.6mm) raised face. Which is included in 'Thickness' (t) and 'Length through Hub' (T1

